|
Detalizēts apraksts Impulsu skaitītājs panelim DS-48 (2x 4 ciparu displejs: 1x skaitītājs, 1x mērķa vērtība)
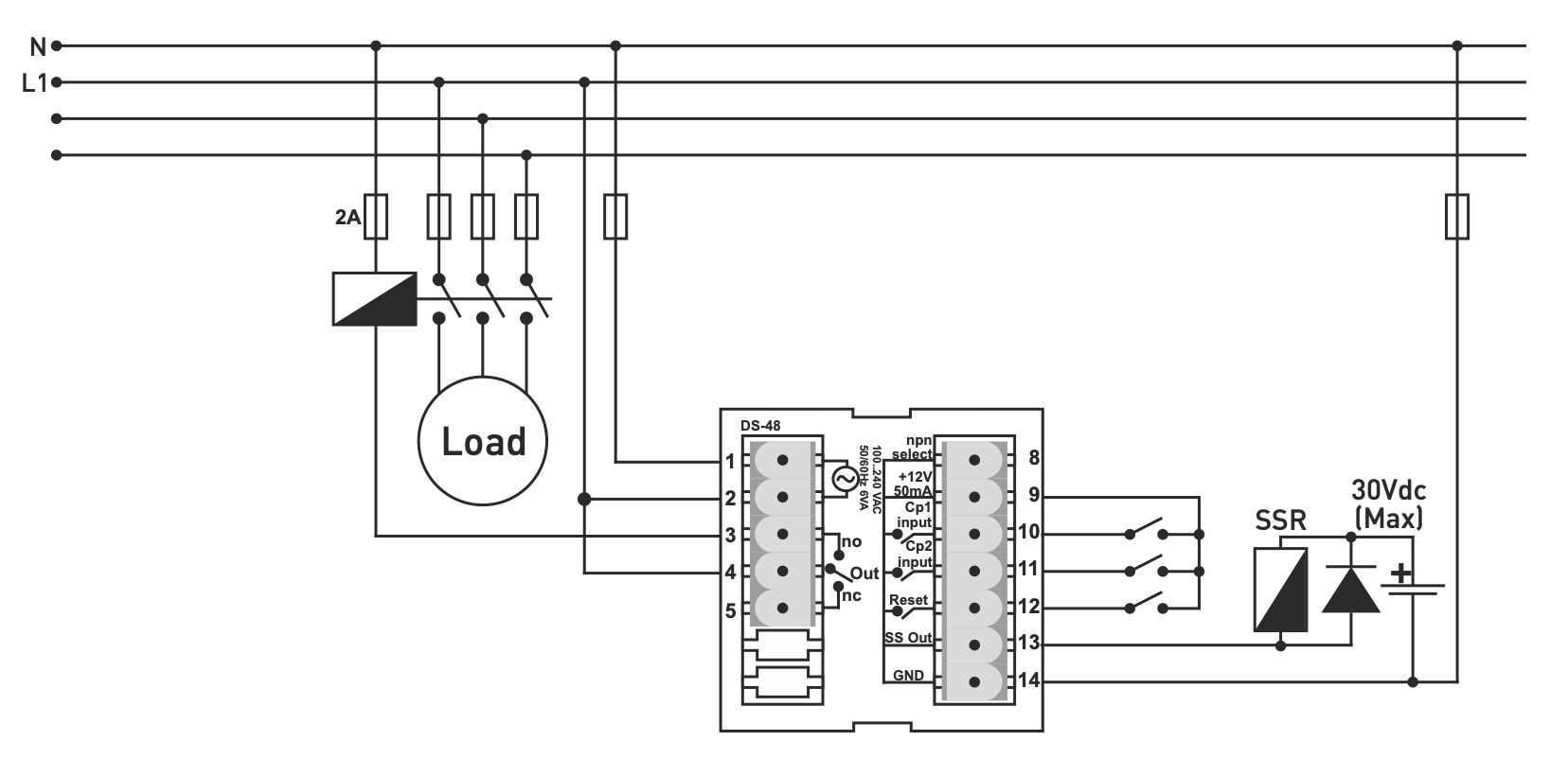
DS-48 impulsu skaitītāja vispārējā specifikācija: 2x 4 ciparu displejs, 1x iestatītā vērtība, 1x izejas relejs OUT, pulksteņa/pazemināšanas skaitītājs Saskaita signālus no mehāniskiem slēdžiem, induktīviem PNP/NPN tuvuma sensoriem un inkrementālo enkoderu ieejām. Aizsardzība ar paroli. Ieejas frekvences izvēle: 20, 50, 2500, 7500 Hz. Kalibrēšanas konstante: 0,001.....9,999 Izvēles decimālzīme: 0, 0,0, 0,00, 0,000
7 ieejas funkcijas / 9 izejas funkcijas: - Skaitīšana, - skaitīšana, - saskaitīšana/skaitīšana no divām ieejām vienlaicīgi, - skaitīšana/skaitīšanas pauze, ko kontrolē otra ieeja, - ieejas noliegšana, ko kontrolē otrā ieeja, - saskaitīšana/atņemšana no augšupejošās/krītošās malas/abām malām vienlaicīgi, - augošās malas saskaitīšana / krītošās malas atņemšana / funkcijas noliegšana ar otro ieeju
Aprēķinātās vērtības regulējams "OFFSET". Izejas relejs: ieslēdzas, kad vērtība ir sasniegta, un tur līdz RESET vai impulsam 0,1.....999,9 sekunžu diapazonā. Atceras impulsu skaitīšanas vērtību un OUTput releja stāvokli pēdējā strāvas padeves pārtraukuma laikā, un to var atiestatīt pēc pirmās strāvas ieslēgšanas. RESETē ar priekšējā paneļa pogu vai signālu RESET terminālī (12). EEPROM atmiņa iestatījumu saglabāšanai.
Uzstādīšanas piezīmes:
Izmantojiet ekranētu un savītu signāla kabeli un iezemējiet ekrānu. Visus signāla kabeļus turiet tālāk no slēdžiem, induktīvām slodzēm, ierīcēm/kabeļiem, kas rada elektriskos trokšņus, un barošanas vadiem. Izvairieties no vides ietekmes, piemēram, mitruma, vibrācijas, netīrumiem un augstas/zemas temperatūras. Izmantojiet drošinātāju (F250mA 250VAC) pie iekārtas tīkla/jaudas ieejas. Strāvas padevei izmantojiet piemērotu kabeli. Uzstādīšanas laikā ievērojiet drošības noteikumus. Pirms kodētāja, vēlams izmantot opciju (Inpt = Phs1), izvēlieties (Frequency = 20) mehāniskā ieslēgšanas un izslēgšanas slēdža impulsu skaitīšanai, izvēlieties optimālo minimālo ieejas frekvenci, kas atbilst jūsu lietojumam. Inpt = 1u2u, 1u2d, Phs2; ieejas signāla frekvence nedrīkst būt lielāka par ½ izvēlētās ieejas frekvences, ja tiek izmantotas abas ieejas.
Pre Inpt = Phs4; ieejas signāla frekvence nedrīkst būt lielāka par ¼ no izvēlētās ieejas frekvences, ja tiek izmantotas abas ieejas.
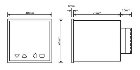
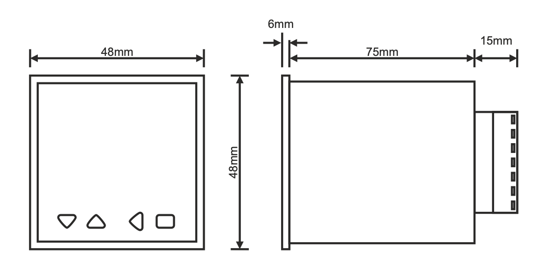
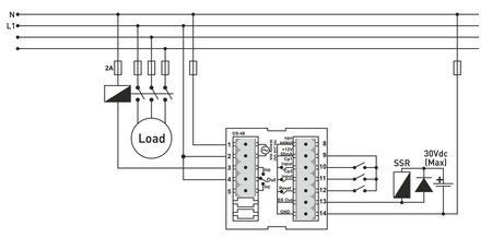
Tehniskie parametri: Izmēri / atvērums: 48x48x96 mm / 44x44 mm Displejs: 2x4 ciparu 7segmentu LED displejs. Ieeju skaits: 2 x (maks.: 7500 Hz, 5-30 V) Ieejas tips: mehāniskais slēdzis, induktīvais sensors PNP/NPN, enkodera izeja NPN/PNP/totem-pole. Ieejas frekvences: 20, 50, 2500, 7500 Hz. NPN sensora izvēle. Atiestatīšanas ieeja vienmēr ir PNP. Pirms totēma vai PNP sensora nav pievienots "npn select". Atiestatīšanas signāls: spaile (12), vismaz 10 ms, + signāls (tikai PNP) (5.....30 V). Barošanas spriegums: 100...240 V maiņstrāvas, 50-60 Hz. Jaudas patēriņš: < 8 VA Izvads (OUT): SPDT relejs 250 VAC, 2A, rezistīva slodze, spailes 4=COM, 3=NO, 5=NC, 1x SSR vadība - NPN, 30 V, maks. 100 mA, spaile 13=SSout, 14=GND. Sensora barošanas avots: spaile (9) 12 VDC, 50 mA (maks.), neregulējams. Pārvēršanas temperatūra: -20°C ... +55°C |
Uzrauga augstums virs jūras līmeņa: <2000 m
Online maksājums ar karti - pēc pasūtījuma pabeigšanas tiksiet novirzīts uz maksājumu vārtiem, apstiprinājums par maksājumu tiks nosūtīts uz jūsu e-pastu
Naudas piegāde - maksājums saskaņā ar maksājumu noteikumiem, ko samaksāsiet transporta uzņēmuma vadītājam
Ar pārskaitījumu - uz jūsu e-pastu saņemsiet ne vēlāk kā nākamajā darba dienā avansa rēķinu, kurā atradīsiet konta numuru, kuru ievadīsiet maksājuma laikā.
Uz rēķina - šo maksājuma variantu izmanto partneri, kuriem ir noslēgts ietvarlīgums ar mūsu uzņēmumu.
Ja vēlaties izmantot pēdējos 2 veidus, zvaniet mūsu menedžerim, un viņš jums dos norādījumus, kā saņemt rēķinu ar PVN vai bez PVN.
Mūsu piegādātie elektriskie iekārtas atbilst augstiem kvalitātes standartiem, tām ir 24 mēnešu garantija un tās atbilst visām ES prasībām.
Preču atgriešanas gadījumā netiek iekasēta nekādas maksas.
