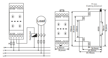
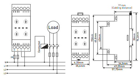
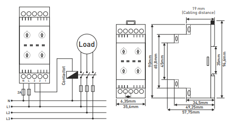
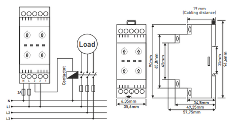
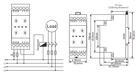
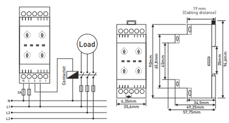
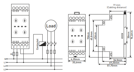
Monitoring/protection three-phase relay for overvoltage, undervoltage control
Three-phase overvoltage and undervoltage monitoring/protection relay with timer. Protection monitoring relay GKM-11 (TENSE)
Voltage control relays are designed to protect equipment with sensitive operating voltage from damage caused by mains voltage.
- Overvoltage: 230 V - 300 V AC (adjustable)
- Low voltage: 150V - 210V AC (adjustable)
Timer: 0.1 sec. - 20 sec. (adjustable)
DIN rail mounting
-
Width 35.6 mm
Online payment by card - after completing the order you will be redirected to the payment gateway, confirmation of payment will be sent to your email
Cash on delivery - payment according to the payment terms, which you will pay to the driver of the transport company
By bank transfer - you will receive an advance invoice to your email no later than the next business day, in which you will find the account number, which you will enter during payment.
On account - this payment option is used by partners who have concluded a framework agreement with our company.
If you want to use the last 2 methods, call our manager and he will give you instructions on how to receive an invoice with or without VAT.
The electrical equipment we supply meets high quality standards, has a 24-month warranty, and meets all EU requirements.
No fees are charged for returning goods.
