Network analyzer panel current, voltage, frequency, power, energy, RS485
3-phase network analyzer / Network analyzer / Network analyzer - multifunctional digital panel meter, current, voltage, frequency and total power indicator, with relay output, RS485 ModBus RTU - TPM-04SHDL manufacturer TENSE (Turkey) panel meters.
Power analyzers are designed to measure and monitor electrical quantities. Thanks to the communication function, the measured energy values can be independently monitored and reported. With power analyzers, analyses such as power quality, efficiency and unit cost calculation can be performed.
Main advantages:
- RS485 Modbus RTU (1200-19200 b/s)
- Three-phase voltage transformer and three-phase current transformer.
It displays the harmonic components of voltage and current up to the 31st harmonic.
Shows the active power in each phase (P).
Shows the reactive power in each phase (Q, inductive and capacitive).
Shows the phase nominal power (S)
Displays the Cosφ and power factor values for each phase.
Displays voltage (V) and current (I) values between phases and neutral phases and measures frequency.
Shows total active energy import and export values (ΣkWh).
-
Shows the total inductive and capacitive reactive energy values (ΣkVArh).
Shows minimum and maximum values, maximum demand.
2 relay outputs, 1 digital input
Event logs (high/low voltage/current, voltage/current asymmetry, THD-I).
The menu is password protected.
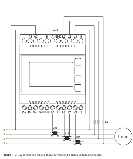
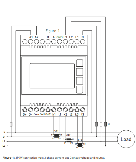
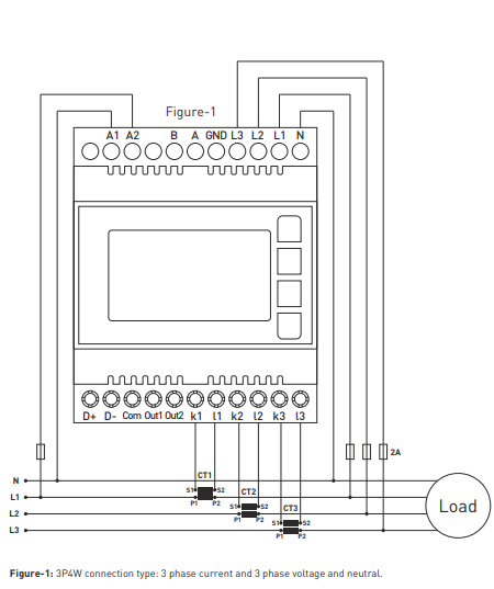
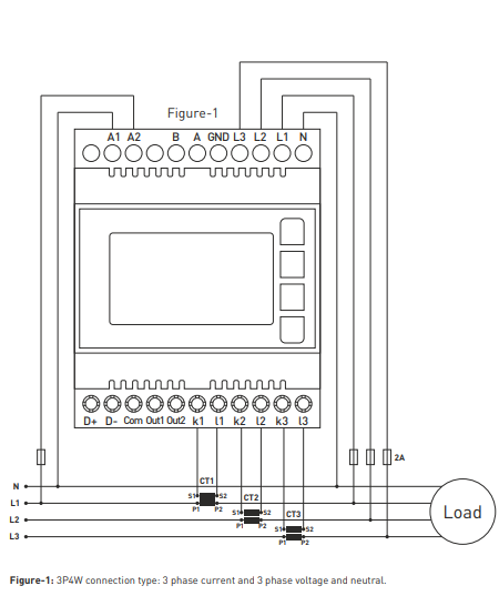
Typically, this network analyzer is used with current measuring transformers - 60/5 75/5 100/5 150/5 200/5 250/5 300/5 400/5 500/5 600/5 800/5 1000/5 1500/5 or similar. If you are going to connect the analyzer to ModBus, we will send you a "Registration Table" with ModBus addresses upon request.
Online payment by card - after completing the order you will be redirected to the payment gateway, confirmation of payment will be sent to your email
Cash on delivery - payment according to the payment terms, which you will pay to the driver of the transport company
By bank transfer - you will receive an advance invoice to your email no later than the next business day, in which you will find the account number, which you will enter during payment.
On account - this payment option is used by partners who have concluded a framework agreement with our company.
If you want to use the last 2 methods, call our manager and he will give you instructions on how to receive an invoice with or without VAT.
The electrical equipment we supply meets high quality standards, has a 24-month warranty, and meets all EU requirements.
No fees are charged for returning goods.
