RGT-MT18 - Reactive power controller 18 levels +TCR with RS485 ModBus control
18-step + TCR power factor controller for symmetrical/asymmetrical networks with 5-inch touchscreen and RS-485 (TENSE)
Reactive power control relays are designed to reduce the reactive power (inductive and capacitive) not used by the load and taken from the network. If inductive power is taken from the network, it intervenes by disconnecting a capacitor with the appropriate value. If capacitive power is taken from the network, it intervenes by taking a shunt inductor with the appropriate value. In this way, it seeks to reduce the inductive/active and capacitive/active rates of the system. It is designed to provide more reasonable compensation in unbalanced inductive and capacitive systems with the RGT-MT18 TCR step.
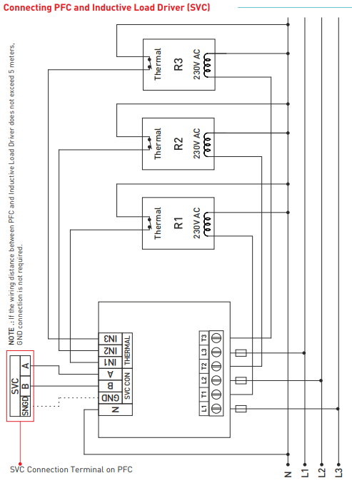
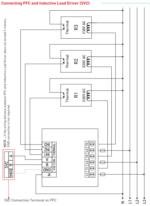
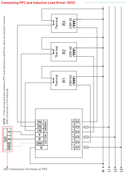
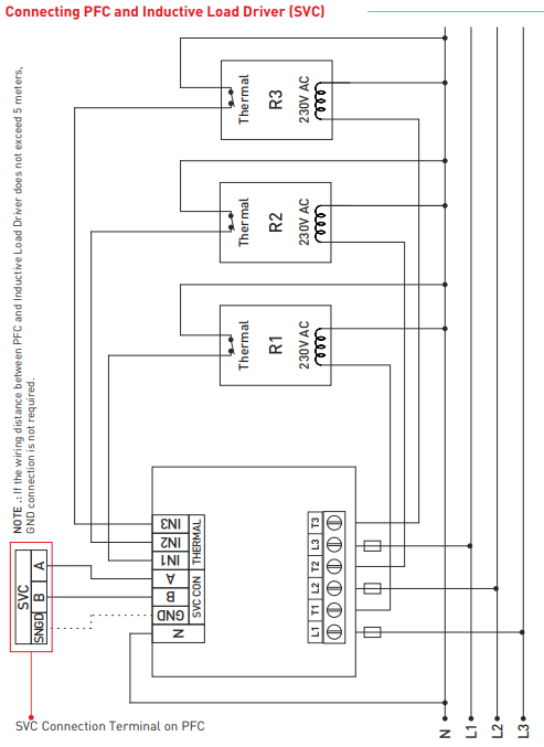
Generator input and generator compensation
Voltage, harmonic current/voltage, inductive and capacitive signaling output
Ability to adjust the start-up, discharge and stabilization time
Remote control via RS485 (RS485 ModBus RTU)
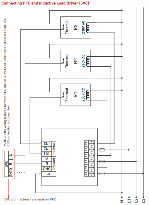
Single-phase, two-phase and three-phase capacitors and shunt reactors can be connected.
-
Harmonic voltage and current can be monitored up to the 61st harmonic
Can monitor total energy (import/export)
the THD-V and THD-I values of each phase can be observed.
Create a power analysis (20 samples 9999 min.) - for capacitor selection.
Temperature alarm output
Demand registration (active and reactive and apparent power and current demand)
The minimum, maximum and average current and voltage values of each phase can be observed.
Actual date and time
Online payment by card - after completing the order you will be redirected to the payment gateway, confirmation of payment will be sent to your email
Cash on delivery - payment according to the payment terms, which you will pay to the driver of the transport company
By bank transfer - you will receive an advance invoice to your email no later than the next business day, in which you will find the account number, which you will enter during payment.
On account - this payment option is used by partners who have concluded a framework agreement with our company.
If you want to use the last 2 methods, call our manager and he will give you instructions on how to receive an invoice with or without VAT.
The electrical equipment we supply meets high quality standards, has a 24-month warranty, and meets all EU requirements.
No fees are charged for returning goods.
