Overvoltage, undervoltage, asymmetry sequence control/protection three-phase relays for overvoltage, undervoltage, asymmetry sequence control
Three-phase monitoring/protection relay for sequence, tripping, phase asymmetry, overvoltage, undervoltage, neutral disconnection control with timer and display. Protection monitoring relay FKV-03HF (TENSE)
Phase protection relays are designed to protect three-phase loads against damage caused by mains voltage.
- Voltage: 400 V - 480 V AC (adjustable)
- Low voltage: 260V - 360V AC (adjustable)
- Asymmetry: 5% - 25% (adjustable)
- Phase sequence control
- Timer: 1 sec. - 30 sec. (adjustable)
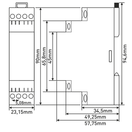
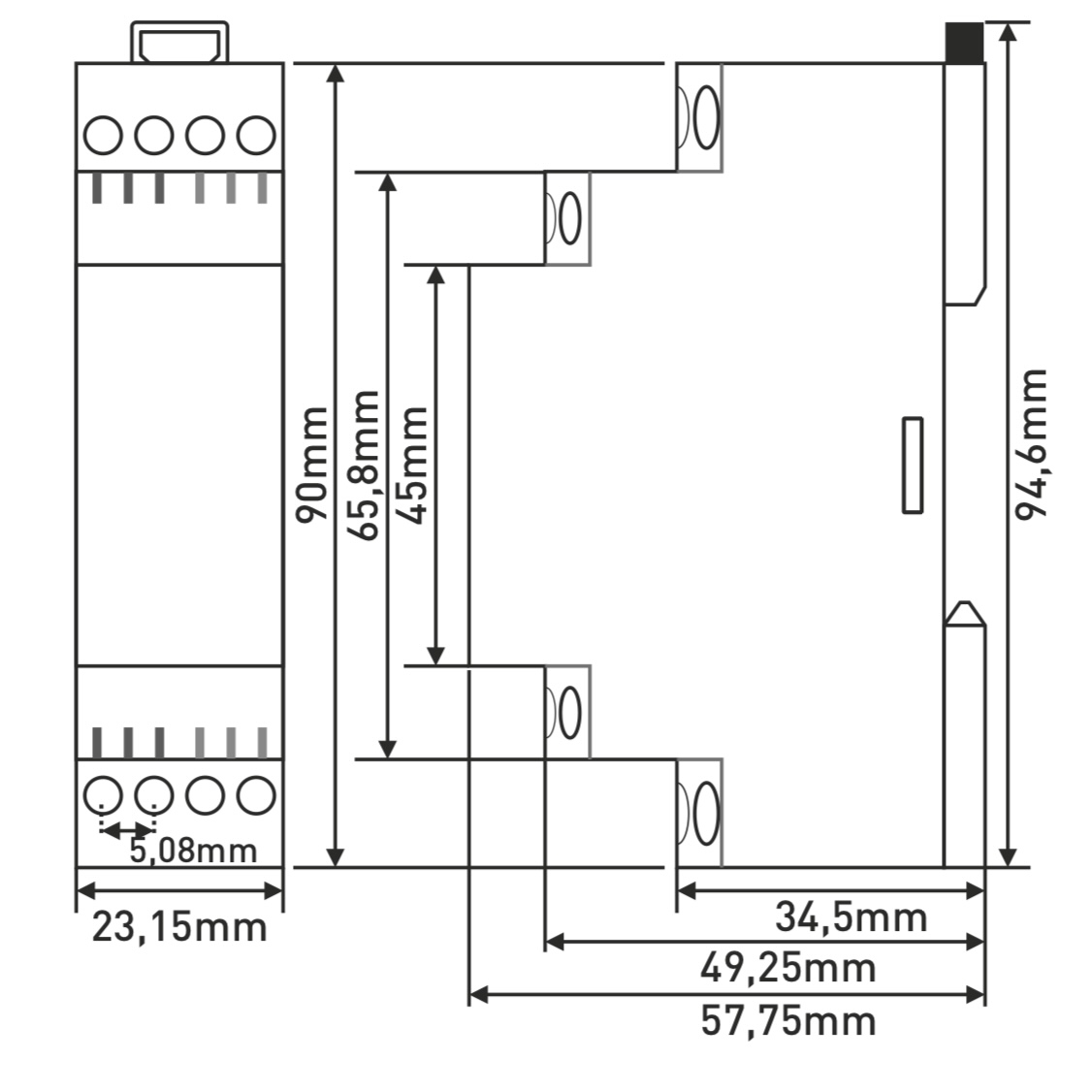
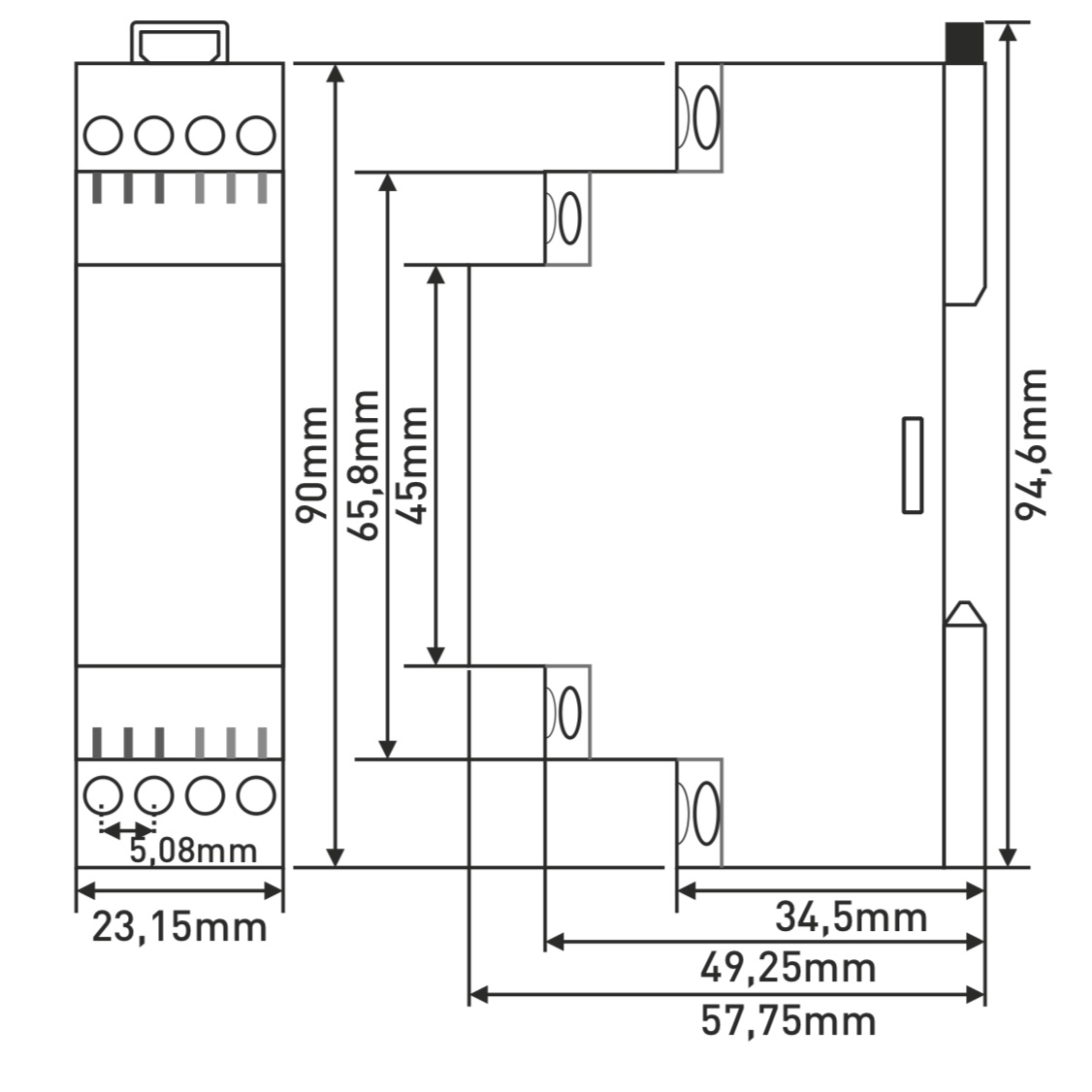
DIN rail mounting
Width 23.15mm
Online payment by card - after completing the order you will be redirected to the payment gateway, confirmation of payment will be sent to your email
Cash on delivery - payment according to the payment terms, which you will pay to the driver of the transport company
By bank transfer - you will receive an advance invoice to your email no later than the next business day, in which you will find the account number, which you will enter during payment.
On account - this payment option is used by partners who have concluded a framework agreement with our company.
If you want to use the last 2 methods, call our manager and he will give you instructions on how to receive an invoice with or without VAT.
The electrical equipment we supply meets high quality standards, has a 24-month warranty, and meets all EU requirements.
No fees are charged for returning goods.
