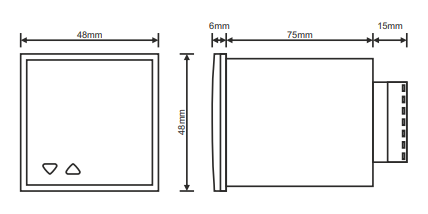
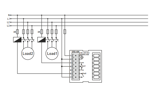
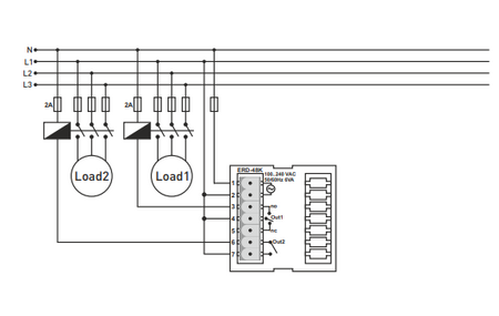
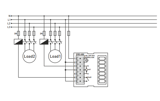
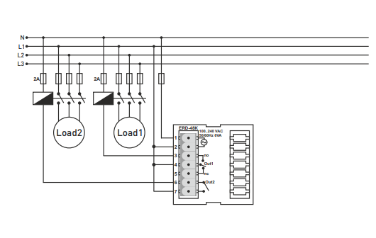
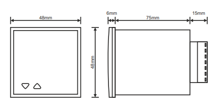
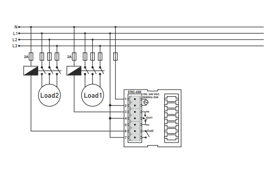
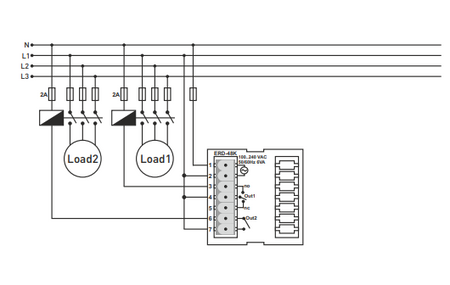
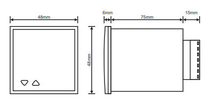
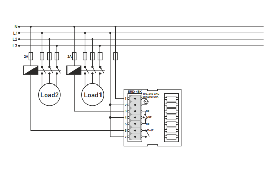
Time cyclic + on and off relay LED display for panel/door mounting 230VAC - Flash at the beginning of the pulse, flash at the beginning of the pause cyclic relay, time switch with delay. TENSE ERD-48K
Time relay with two functions - on-delay function and cyclic relay function.
Time setting range:
99.9 seconds, 999 seconds, 99.9 minutes or 999 minutes (selectable on the front panel).
Online payment by card - after completing the order you will be redirected to the payment gateway, confirmation of payment will be sent to your email
Cash on delivery - payment according to the payment terms, which you will pay to the driver of the transport company
By bank transfer - you will receive an advance invoice to your email no later than the next business day, in which you will find the account number, which you will enter during payment.
On account - this payment option is used by partners who have concluded a framework agreement with our company.
If you want to use the last 2 methods, call our manager and he will give you instructions on how to receive an invoice with or without VAT.
The electrical equipment we supply meets high quality standards, has a 24-month warranty, and meets all EU requirements.
No fees are charged for returning goods.
