Asymmetric cycler mode - blink at the beginning of the pulse, blink at the beginning of the pause.
Time relay - blink at the beginning of the pulse, blink at the beginning of the pause cyclic relay - symmetrical / asymmetrical cycle
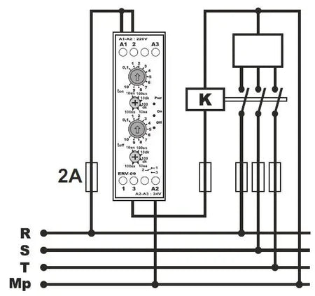
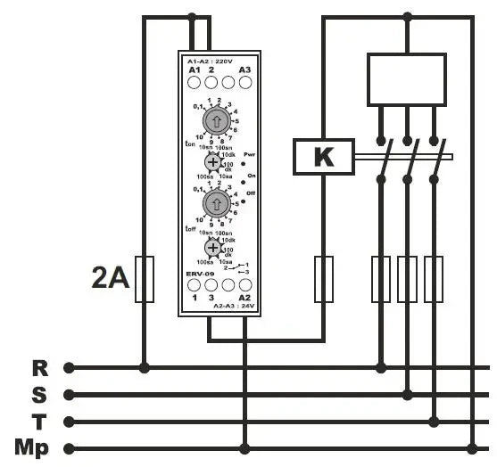
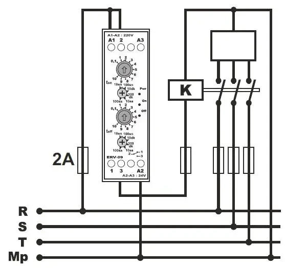
A cyclic relay or cyclic time relay is used to periodically switch on electrical loads (e.g. lights, fans, etc.) or to switch on control signals in automatic monitoring or control systems (e.g. turning on an emergency flashing light or sound signal). Such a cyclic time relay can be useful for organizing automatic ventilation processes, opening and closing windows, periodically switching on heating or ventilation, rotating lighting or advertising signs.
If you configure the relay so that its on and off times are symmetrical, it can be used, for example, to gradually turn on certain electrical devices in case of current/power limitations (heaters, heat generators). The presence of a switching output contact allows you to start the cycle either pulsatingly or with a pause.
- Time relay - cycler with independently adjustable output on and off time.
- used for regular room ventilation, cyclical moisture drying, regulation of lighting, circulation pumps, illuminated advertising, etc.
- The time relay is mounted on a standard 35 mm DIN rail.
Online payment by card - after completing the order you will be redirected to the payment gateway, confirmation of payment will be sent to your email
Cash on delivery - payment according to the payment terms, which you will pay to the driver of the transport company
By bank transfer - you will receive an advance invoice to your email no later than the next business day, in which you will find the account number, which you will enter during payment.
On account - this payment option is used by partners who have concluded a framework agreement with our company.
If you want to use the last 2 methods, call our manager and he will give you instructions on how to receive an invoice with or without VAT.
The electrical equipment we supply meets high quality standards, has a 24-month warranty, and meets all EU requirements.
No fees are charged for returning goods.
