RGT-12SVC - Reactive power controller 12 levels +TCR with RS485 ModBus RTU
12-step + TCR power factor controller with 2.9" graphic LCD display and RS-485 (TENSE)
The RGT-12SVC reactive power regulator (TENSE ) is a fully automatic device for optimal compensation step switching.
The digital processing of the measured values of the regulator ensures high accuracy in estimating effective voltage, current and power factor.
The device setup is fully automatic - the controller itself determines the size of the individual connected compensation stages. These parameters can also be entered directly manually.
The controller switches the compensation stages on and off so that the reactive power is regulated with a minimum number of switching operations. At the same time, the controller takes into account the even load of the individual stages and gives priority to those stages that have been switched off the longest and have the minimum remaining charge. During the regulation process, the compensation stages are continuously monitored in parallel - faults and changes in values are detected, the temporarily switched off stages are periodically checked and, if necessary, they are included again in the regulation process.
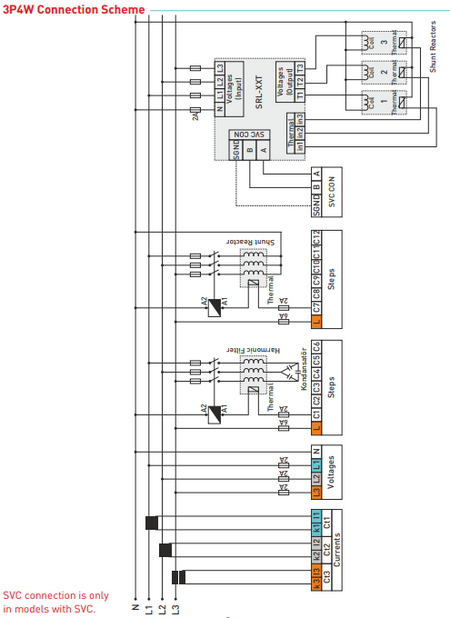
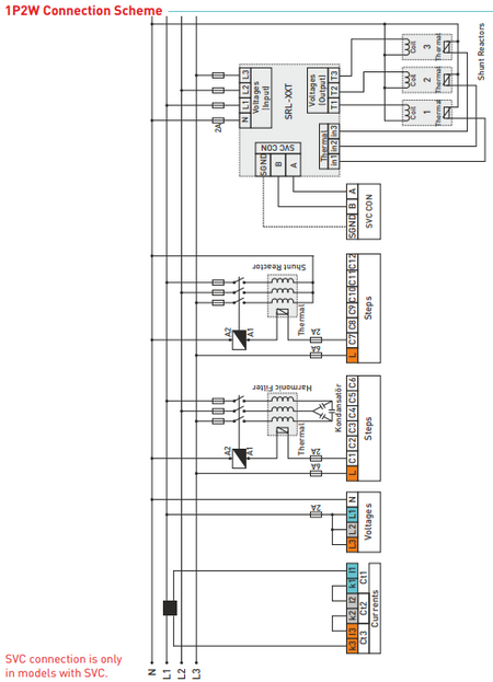
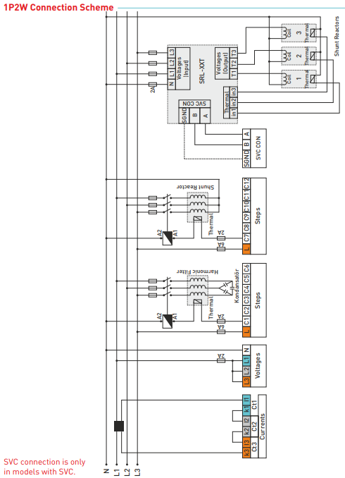
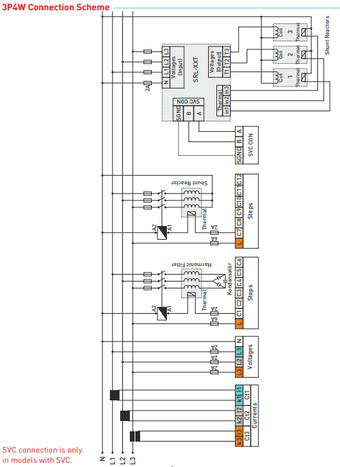
Generator input and generator compensation
You can set the start, discharge and stabilization times.
Remote control via RS485 (RS485 ModBus RTU)
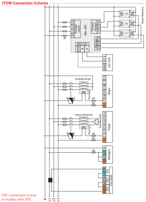
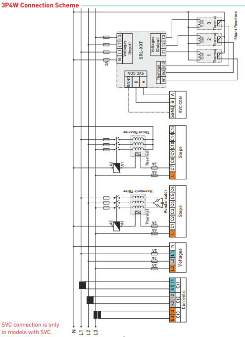
Single-phase, two-phase and three-phase capacitors and shunt reactors can be connected.
Harmonic voltage and current can be monitored up to the 31st harmonic
Can monitor total energy (import/export)
-
the THD-V and THD-I values of each phase can be observed.
Create a power analysis (20 samples 9999 min.) - for capacitor selection.
Online payment by card - after completing the order you will be redirected to the payment gateway, confirmation of payment will be sent to your email
Cash on delivery - payment according to the payment terms, which you will pay to the driver of the transport company
By bank transfer - you will receive an advance invoice to your email no later than the next business day, in which you will find the account number, which you will enter during payment.
On account - this payment option is used by partners who have concluded a framework agreement with our company.
If you want to use the last 2 methods, call our manager and he will give you instructions on how to receive an invoice with or without VAT.
The electrical equipment we supply meets high quality standards, has a 24-month warranty, and meets all EU requirements.
No fees are charged for returning goods.
