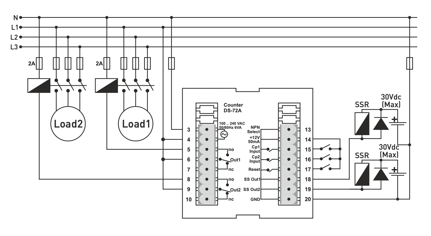
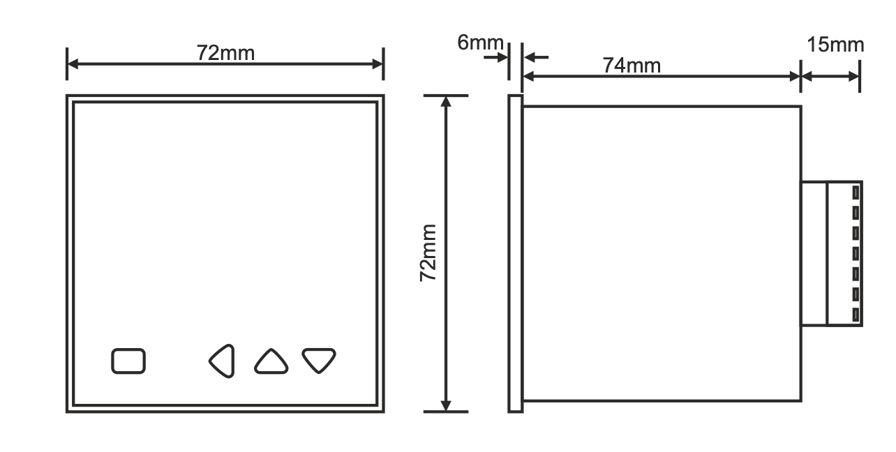
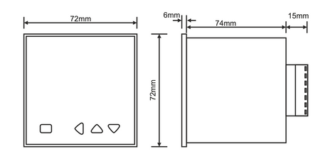
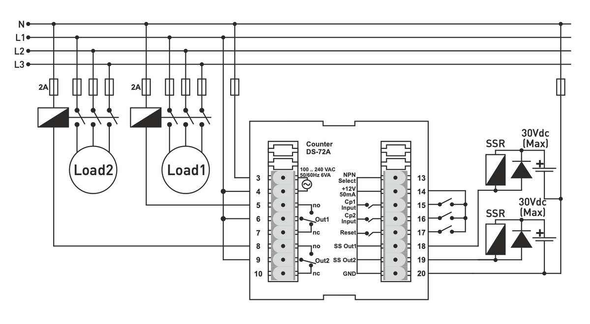
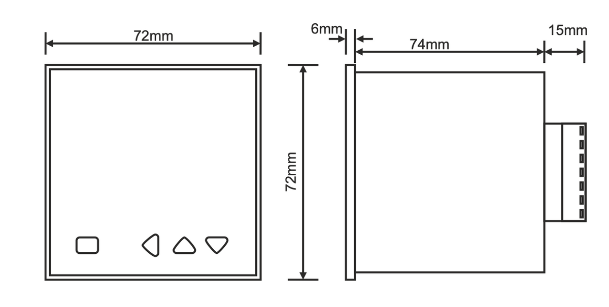
Electronic pulse counter / pulse counter
Counter relays are designed to perform various tasks depending on input pulses.
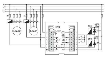
Two-contact forward/reverse counter
Counting switch, proximity switch and incremental encoder input
Password protection
Input frequency selection
Calibration constant; 0.00001.....9.99999
It is possible to choose a decimal number; 1. ..... 5. Digits
7 Input/10 Output function options
Add "OFFSET" to the number value.
PRESET1: absolute/relative option
OUT: latch or pulse 0.1.....999.9 seconds
-
Load the number value and OUT status at the last power failure after the first power-up.
RESET using the front panel
EEPROM memory for saving settings
Online payment by card - after completing the order you will be redirected to the payment gateway, confirmation of payment will be sent to your email
Cash on delivery - payment according to the payment terms, which you will pay to the driver of the transport company
By bank transfer - you will receive an advance invoice to your email no later than the next business day, in which you will find the account number, which you will enter during payment.
On account - this payment option is used by partners who have concluded a framework agreement with our company.
If you want to use the last 2 methods, call our manager and he will give you instructions on how to receive an invoice with or without VAT.
The electrical equipment we supply meets high quality standards, has a 24-month warranty, and meets all EU requirements.
No fees are charged for returning goods.
