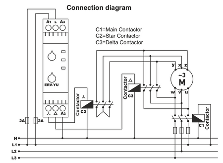
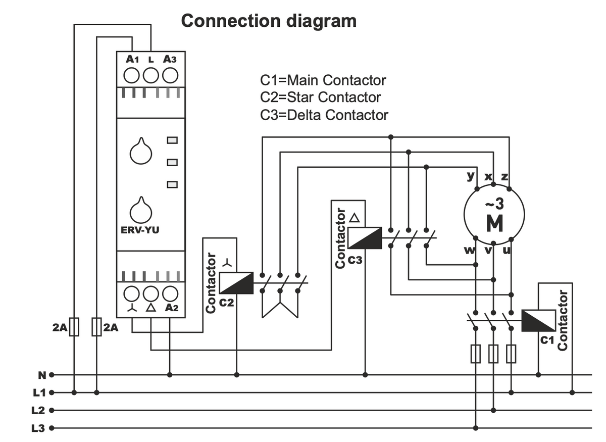
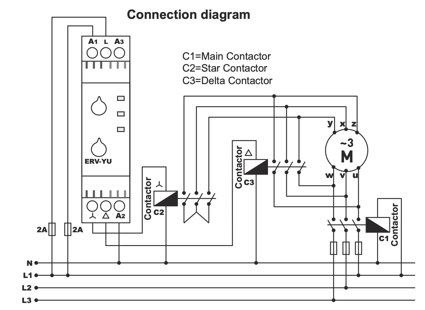
Automatic star-delta switch / star-delta time relay 24VAC/DC - 240V AC with 1 switching contact.
Automatic star-delta switch - star-delta time relays are designed for use in the initial start-up of three-phase motors. When voltage is applied to the coil, it switches to star wiring to allow the motor to start. The star remains connected for a certain time and then goes into standby mode. After a waiting period, it allows switching to delta connection. Thus, it provides efficiency by reducing the current consumption of motors that use high power during starting.
The time relay can be mounted on a standard 35 mm DIN rail.
Online payment by card - after completing the order you will be redirected to the payment gateway, confirmation of payment will be sent to your email
Cash on delivery - payment according to the payment terms, which you will pay to the driver of the transport company
By bank transfer - you will receive an advance invoice to your email no later than the next business day, in which you will find the account number, which you will enter during payment.
On account - this payment option is used by partners who have concluded a framework agreement with our company.
If you want to use the last 2 methods, call our manager and he will give you instructions on how to receive an invoice with or without VAT.
The electrical equipment we supply meets high quality standards, has a 24-month warranty, and meets all EU requirements.
No fees are charged for returning goods.
